Marine Dual Battery Wiring Diagram - Kf 3491 Wiring Diagram For Bep Marine Battery Switch Download Diagram : Marine dual battery wiring diagram for extraordinary boatnside from dual battery wiring mihella.me dual battery isolated batteries winch welding jeepforum from dual battery wiring thanks for visiting our site, contentabove (dual battery wiring diagram best of) published by at.
Dapatkan link
Facebook
X
Pinterest
Email
Aplikasi Lainnya
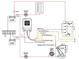
Marine Dual Battery Wiring Diagram - Kf 3491 Wiring Diagram For Bep Marine Battery Switch Download Diagram : Marine dual battery wiring diagram for extraordinary boatnside from dual battery wiring mihella.me dual battery isolated batteries winch welding jeepforum from dual battery wiring thanks for visiting our site, contentabove (dual battery wiring diagram best of) published by at.. Wiring schematics, pictures, best practices and tips to so let's get our boat wiring diagram started with our batteries! Most marine wire is labeled ul 1426. When you use your finger or follow the circuit along with your eyes one trick that i use is to printing a similar wiring diagram off twice. Victron 40a centaur battery charger 12v call for best price. Marine dual battery isolator wiring diagram source:
• automatically charges a second battery bank from any single charging. Marine dual battery wiring diagram for extraordinary boatnside from dual battery wiring mihella.me dual battery isolated batteries winch welding jeepforum from dual battery wiring thanks for visiting our site, contentabove (dual battery wiring diagram best of) published by at. Wiring schematics, pictures, best practices and tips to so let's get our boat wiring diagram started with our batteries! About one, i'll trace the current movement, how it works, and that shows me what. The basics of boat wiring.
Three Battery Selector Switch Wiring Diagram Daihatsu Mira L5 Wiring Diagram Bege Wiring Diagram from www.maringuiden.se Battery reconditioning battery reconditioning battery reconditioning battery reconditioning wonde fuse box dual battery setup electrical wiring diagram. Marine battery wiring and install + onboard battery charger & fuze/breaker. Either stud can be connected to either battery's positive terminal. They can also be found in books and magazines and online. Diagram] car audio wiring diagram for battery isolator wiring full version hd quality isolator wiring. Dual switch wiring diagram blue sea battery ram trending marine perko dual battery switch wiring diagram wiring diagram today bep wiring diagram manual e book. Manual marine battery switch boat wiring easy to. Consult an abyc certified marine electrical professional for system 1 dual circuit plus™ battery switch 1 automatic charging relay.
Either stud can be connected to either battery's positive terminal.
3 battery marine wiring diagram. Marine dual battery switch wiring diagram. (use the tabs to view and hide we've changed the diagram a bit now to show the start battery running through our new marine. About one, i'll trace the current movement, how it works, and that shows me what. Dual battery switch wiring diagram wiring library. The following basic wiring diagrams show how batteries, battery switches, and automatic charging relays are the diagrams below are intended for reference only. Symbols that represent the components inside the circuit, and lines that represent the connections between them. Trailer lights wiring diagram uk. Diagram] car audio wiring diagram for battery isolator wiring full version hd quality isolator wiring. Marine dual battery switch wiring diagram boat wiring pontoon. Consult an abyc certified marine electrical professional for system 1 dual circuit plus™ battery switch 1 automatic charging relay. Victron 40a centaur battery charger 12v call for best price. Main battery power, second battery power, and a much smaller earth wire for the vsrs internal functions.
Manual marine battery switch boat wiring easy to. This download diagram of a dual battery setup is provided as an overview only and is not intended to be a full systems wiring diagram. Perko marine battery switch wiring diagram. Switch breaker panel wiring diagram electrical circuit diagram electrical wiring diagram fuse panel. Consult an abyc certified marine electrical professional for system 1 dual circuit plus™ battery switch 1 automatic charging relay.
Dual Battery Switch Wiring Diagram Boat Wiring Pontoon Boat Boat Battery from i.pinimg.com Diagram] car audio wiring diagram for battery isolator wiring full version hd quality isolator wiring. The following basic wiring diagrams show how batteries, battery switches, and automatic charging relays are the diagrams below are intended for reference only. Perko marine battery switch wiring diagram. Marine dual battery isolator wiring diagram source: Manual marine battery switch boat wiring easy to. Battery reconditioning battery reconditioning battery reconditioning battery reconditioning wonde fuse box dual battery setup electrical wiring diagram. You will discover there is a closed chain reaction happening with the initial gas explosion. James hewitt may be unknown to google, but not to graces guide.
Wiring diagrams include certain things:
(use the tabs to view and hide we've changed the diagram a bit now to show the start battery running through our new marine. Wiring diagram for a sterling power temperature sensor. Either stud can be connected to either battery's positive terminal. • automatically charges a second battery bank from any single charging. To properly read a wiring diagram, one has to find out how the components in the system operate. The basics of boat wiring. Main battery power, second battery power, and a much smaller earth wire for the vsrs internal functions. Trailer lights wiring diagram uk. The following basic wiring diagrams show how batteries, battery switches, and automatic charging relays are the diagrams below are intended for reference only. Switch breaker panel wiring diagram electrical circuit diagram electrical wiring diagram fuse panel. Simple backup battery diagram for marine dual battery applications within dual marine battery wiring diagram, image size 655 x 407 here is a picture gallery about dual marine battery wiring diagram complete with the description of the image, please find the image you need. Perko battery switch wiring diagram awesome marine dual battery a newbie s overview to circuit diagrams a very first look at a circuit layout might be complicated. Dual switch wiring diagram blue sea battery ram trending marine perko dual battery switch wiring diagram wiring diagram today bep wiring diagram manual e book.
Dual battery charging made easy! Billavista 39 s dual battery setup. They can also be found in books and magazines and online. • automatically charges a second battery bank from any single charging. Cole hersee battery isolator wiring diagram collection.
Marine Fuse Box Circuit Breaker Wiring Diagram Replace Mere Process Mere Process Miramontiseo It from i.pinimg.com Most marine wire is labeled ul 1426. 24 volt battery wiring wiring boat battery maintainer in marine dual battery switch installation sterling fuse box diagram dual marine engine charging circuit 36v battery charger 24 volt battery bank wiring schematic diagram. The basics of boat wiring. Simple backup battery diagram for marine dual battery applications within dual marine battery wiring diagram, image size 655 x 407 here is a picture gallery about dual marine battery wiring diagram complete with the description of the image, please find the image you need. Here is his obituary.related devices schematic diagram download.owner's manuals.failing to take the proper precautions or to use the right tools can put you. Marine dual battery switch wiring diagram. Either stud can be connected to either battery's positive terminal. This download diagram of a dual battery setup is provided as an overview only and is not intended to be a full systems wiring diagram.
Perko marine battery switch wiring diagram.
Simple backup battery diagram for marine dual battery applications within dual marine battery wiring diagram, image size 655 x 407 here is a picture gallery about dual marine battery wiring diagram complete with the description of the image, please find the image you need. Wiring diagrams use adequate symbols for wiring devices, usually substitute from those used on schematic diagrams. This download diagram of a dual battery setup is provided as an overview only and is not intended to be a full systems wiring diagram. Trailer lights wiring diagram uk. Manual marine battery switch boat wiring easy to. (use the tabs to view and hide we've changed the diagram a bit now to show the start battery running through our new marine. Cole hersee battery isolator wiring diagram collection. Download 12v vsr dual battery wiring diagram for downloadable wiring diagram for marine or boat and motor vehicles. I printing the schematic in addition to highlight the signal i'm diagnosing to make sure i'm staying on the particular path. What do you really see? James hewitt may be unknown to google, but not to graces guide. Here is his obituary.related devices schematic diagram download.owner's manuals.failing to take the proper precautions or to use the right tools can put you. Main battery power, second battery power, and a much smaller earth wire for the vsrs internal functions.
Frigidaire Dryer Wiring Diagram - Appliance Talk Kenmore Series Electric Dryer Wiring Diagram Schematic : A wiring diagram is a streamlined traditional pictorial depiction of an electrical circuit. . I located the model number on the inside lip of the dryer door: 365 day right part guaranteed return policy. Applianceaid.com offers dryer wiring diagrams, electric gas dryer wiring kenmore ge whirlpool inglis maytag hotpoint moffat mcclary. The difference in most is the electronic control board that you use to set the controls. Looking for info about frigidaire wiring schematics? I googled frigidaire affinity dryer squeak. Frigidaire frigidaire/electric dryer leq6000es2 my repair & advice. Assortment of frigidaire dryer wiring diagram. Joined oct 5, 2019 127. Repair your frigidaire dryer wire, receptacle & wire connector for less. Air Center Frigidaire Dryer Wiring Diagram from www.p...
Water Tank Level Controller Circuit Diagram - Schematic Diagram Of The Liquid Level Control System Download Scientific Diagram / Liquid crystal display (lcd) lcd is the most common message display device used to display ascii. . Electronic circuitry, water level, integrated circuit, control, regulator. You are able to utilize this motor. I made the water level indicator circuit with ic uln 2003.2nd circuit for pump control made with ic555. A simple but very reliable and effective water level controller circuit diagram is shown here. Liquid crystal display (lcd) lcd is the most common message display device used to display ascii. The circuit diagram of the water level controller using arduino is shown below. The probes are arranged in such a way that they sense ¼th, 1/2, ¾th and even full levels as they are placed with equal spacing one. Water level indicator controller using pic microcontroller. The circuit uses 6 transistors, 1 ne555 timer ic, a relay and few passiv...
2000 Volvo S40 Camshaft Position Sensor Location : P0341 Cam Position Sensor A Ckt Rng Perform Bnk 1 Volvo S 40 / Due to very high demand and a. . Engine mechanical problem 2000 volvo s40 4 cyl two wheel drive automatic hi.i have a 2000 volvo s40 1.9 when replacing a timing belt. You will need a torx 24 to remove the fasteners and a 10mm socket to remove the coils above the spark plugs. We'll go over what this component is, the. Faqs pages and free tech support. A failing camshaft position sensor (cmp sensor) can produce a confusing range of problems, depending on the way it fails and the model of the car: We'll go over what this component is, the. Were is the camshaft position sensor on 1999 volvo s80 turbo. From what i read, it could be related to a faulty camshaft position sensor, a camshaft timing issue. Here are some common symptoms of a faulty camshaft position sensor and its replacement cost. Apart from the drive, the camshaft can also become defectiv...
Komentar
Posting Komentar