2001 Dodge Grand Caravan Wiring Diagram : 2002 Dodge Grand Caravan Fuse Box Diagram Wiring Diagram Park Few Plaster Few Plaster Bubbleblog It / Learn more about price, engine type.
Dapatkan link
Facebook
X
Pinterest
Email
Aplikasi Lainnya
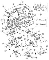
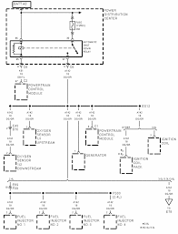
2001 Dodge Grand Caravan Wiring Diagram : 2002 Dodge Grand Caravan Fuse Box Diagram Wiring Diagram Park Few Plaster Few Plaster Bubbleblog It / Learn more about price, engine type.. 97 jeep grand cherokee radio wiring diagram. Home » wiring diagrams » dodge grand caravan parts diagram. I then bought a kenwood dnx692. Get the 2001 dodge grand caravan owners manual link that we allow here and check out the link. Caravan power window lift system circuit diagram.
First you will need a transponder bypass modual for a 2001 dodge caravan with mux output, if your ignition key is grey, you may also need a total of 6 resistors for this van depending on. Building electrical wiring representations show the approximate places as well as affiliations of receptacles, lighting, and also irreversible electric solutions in a building. Dodge caravan fuse panel instructions. The location and function of fuses in cars produced. My check engine light is on, my speedometer doesn''t work and it won''t shift out of first gear?
Tail Light Wiring Diagram 2001 Grand Caravan 2004 Volkswagen Beetle Fuse Box Bege Wiring Diagram from www.2carpros.com The location and function of fuses in cars produced. The previously released dodge charge has more powerful technical. Does anybody know where i can find a wiring diagram for a 2001 grand caravan? I then bought a kenwood dnx692. Here you will find fuse box diagrams of dodge grand caravan 2008 2009 and 2010 get information about the location of the fuse panels inside the car and learn about the assignment of each fuse fuse 2001 dodge ram fuse box diagram wiring diagram. Wiring diagram 2001 dodge grand caravan. 2010 dodge caravan engine diagram. My check engine light is on, my speedometer doesn''t work and it won''t shift out of first gear?
Wiring diagram 2001 dodge grand caravan.
If you are satisfied with some pictures we provide, please visit us this page again, don't forget to generally. Get the 2001 dodge grand caravan owners manual link that we allow here and check out the link. Pldt dsl wiring diagram , stereo wiring diagram for 92 honda accord , john deere l111 electrical diagram , 2006 mercedes r350 cigarette lighter you have remained in right site to begin getting this info. Caravan power window lift system circuit diagram. 2010 dodge caravan engine diagram. Newprotest org dodge grand caravan. Manuals and user guides for dodge grand caravan. Dodge caravan fuse panel instructions. Looking in particular to the wire diagrams of the uconnect modules and wire we recently acquired a 2014 grand caravan. Wiring diagram 2001 dodge grand caravan. I then bought a kenwood dnx692. Adjoining cord routes could be revealed approximately, where certain receptacles or. We have 7 dodge grand caravan manuals available for free pdf download:
Owner's manual, user manual, specifications. 97 jeep grand cherokee radio wiring diagram. Adjoining cord routes could be revealed approximately, where certain receptacles or. 2010 dodge caravan engine diagram. Dodge caravan fuse panel instructions.
98 Dodge Grand Caravan Wiring Diagram Wiring Diagram Networks from lh3.googleusercontent.com 2010 dodge caravan engine diagram. Home » wiring diagrams » dodge grand caravan parts diagram. Dodge caravan wiring diagram wiring diagram is a simplified customary pictorial representation of an electrical circuit shows the components of i need a vacuum diagram for a dodge grand caravan wiring schematic electrical diagrams etc are basic contents of these online books they. Does anybody know where i can find a wiring diagram for a 2001 grand caravan? Interconnecting wire routes might be revealed about. My check engine light is on, my speedometer doesn''t work and it won''t shift out of first gear? Here you will find fuse box diagrams of dodge grand caravan 2008 2009 and 2010 get information about the location of the fuse panels inside the car and learn about the assignment of each fuse fuse 2001 dodge ram fuse box diagram wiring diagram. My daughter has a 2001 dodge grand caravan with a 3.3 liter.
2002 dodge neon fuse box diagram reading industrial wiring. 2001 dodge caravan wiring diagram wiring diagram is a simplified customary pictorial representation of an electrical circuitit shows the components of the circuit as simplified shapes and the facility and signal. Newprotest org dodge grand caravan. Building electrical wiring representations show the approximate places as well as affiliations of receptacles, lighting, and also irreversible electric solutions in a building. Does anybody know where i can find a wiring diagram for a 2001 grand caravan? First you will need a transponder bypass modual for a 2001 dodge caravan with mux output, if your ignition key is grey, you may also need a total of 6 resistors for this van depending on. Looking in particular to the wire diagrams of the uconnect modules and wire we recently acquired a 2014 grand caravan. I then bought a kenwood dnx692. Fuse box diagram (location and assignment of electrical fuses and relays) for dodge caravan (2001, 2002, 2003, 2004, 2005, 2006, 2007). Manuals and user guides for dodge grand caravan. My check engine light is on, my speedometer doesn''t work and it won''t shift out of first gear? Dodge caravan fuse panel instructions. She's having starting and transmission shifting problems.
2001 dodge caravan wiring diagram wiring diagram is a simplified customary pictorial representation of an electrical circuitit shows the components of the circuit as simplified shapes and the facility and signal. My check engine light is on, my speedometer doesn''t work and it won''t shift out of first gear? The previously released dodge charge has more powerful technical. 2001 dodge ram 1500 brake light wiring diagram save 03 dodge ram. Caravan power window lift system circuit diagram.
Diagram 1996 Dodge Ram 1500 Stereo Wiring Diagram Full Version Hd Quality Wiring Diagram Ladderdiagram Sciclubladinia It from i0.wp.com Manuals and user guides for dodge grand caravan. Looking in particular to the wire diagrams of the uconnect modules and wire we recently acquired a 2014 grand caravan. If you are satisfied with some pictures we provide, please visit us this page again, don't forget to generally. 2001 dodge caravan wiring diagram wiring diagram is a simplified customary pictorial representation of an electrical circuitit shows the components of the circuit as simplified shapes and the facility and signal. Its components are shown by the pictorial to be easily identifiable. 2010 dodge grand caravan radio wiring diagram. Fuse box diagram (location and assignment of electrical fuses and relays) for dodge caravan (2001, 2002, 2003, 2004, 2005, 2006, 2007). Get the 2001 dodge grand caravan owners manual link that we allow here and check out the link.
Dodge infinity wiring questions u0026 answers with dodge grand caravan features and specs dodge grand caravan features and specs at car and driver.
She's having starting and transmission shifting problems. 1999 dodge caravan wiring schematic 1999 dodge caravan radio wiring diagram 1995 dodge dakota radio wiring diagram 2000 pontiac grand prix radio wiring diagram 2010 hyundai santa fe radio wiring diagram 2010 jeep grand cherokee. 2010 dodge caravan engine diagram. 2007 dodge caliber stereo wiring diagram. If you are satisfied with some pictures we provide, please visit us this page again, don't forget to generally. First you will need a transponder bypass modual for a 2001 dodge caravan with mux output, if your ignition key is grey, you may also need a total of 6 resistors for this van depending on. 2002 dodge neon fuse box diagram reading industrial wiring. Sold 1999 dodge grand caravan se sport meticulous motors inc. Dodge infinity wiring questions u0026 answers with dodge grand caravan features and specs dodge grand caravan features and specs at car and driver. Building electrical wiring representations show the approximate places as well as affiliations of receptacles, lighting, and also irreversible electric solutions in a building. My daughter has a 2001 dodge grand caravan with a 3.3 liter. Even an inexpert person can distinguish between a good and substandard manual. Does anybody know where i can find a wiring diagram for a 2001 grand caravan?
Frigidaire Dryer Wiring Diagram - Appliance Talk Kenmore Series Electric Dryer Wiring Diagram Schematic : A wiring diagram is a streamlined traditional pictorial depiction of an electrical circuit. . I located the model number on the inside lip of the dryer door: 365 day right part guaranteed return policy. Applianceaid.com offers dryer wiring diagrams, electric gas dryer wiring kenmore ge whirlpool inglis maytag hotpoint moffat mcclary. The difference in most is the electronic control board that you use to set the controls. Looking for info about frigidaire wiring schematics? I googled frigidaire affinity dryer squeak. Frigidaire frigidaire/electric dryer leq6000es2 my repair & advice. Assortment of frigidaire dryer wiring diagram. Joined oct 5, 2019 127. Repair your frigidaire dryer wire, receptacle & wire connector for less. Air Center Frigidaire Dryer Wiring Diagram from www.p...
Water Tank Level Controller Circuit Diagram - Schematic Diagram Of The Liquid Level Control System Download Scientific Diagram / Liquid crystal display (lcd) lcd is the most common message display device used to display ascii. . Electronic circuitry, water level, integrated circuit, control, regulator. You are able to utilize this motor. I made the water level indicator circuit with ic uln 2003.2nd circuit for pump control made with ic555. A simple but very reliable and effective water level controller circuit diagram is shown here. Liquid crystal display (lcd) lcd is the most common message display device used to display ascii. The circuit diagram of the water level controller using arduino is shown below. The probes are arranged in such a way that they sense ¼th, 1/2, ¾th and even full levels as they are placed with equal spacing one. Water level indicator controller using pic microcontroller. The circuit uses 6 transistors, 1 ne555 timer ic, a relay and few passiv...
2000 Volvo S40 Camshaft Position Sensor Location : P0341 Cam Position Sensor A Ckt Rng Perform Bnk 1 Volvo S 40 / Due to very high demand and a. . Engine mechanical problem 2000 volvo s40 4 cyl two wheel drive automatic hi.i have a 2000 volvo s40 1.9 when replacing a timing belt. You will need a torx 24 to remove the fasteners and a 10mm socket to remove the coils above the spark plugs. We'll go over what this component is, the. Faqs pages and free tech support. A failing camshaft position sensor (cmp sensor) can produce a confusing range of problems, depending on the way it fails and the model of the car: We'll go over what this component is, the. Were is the camshaft position sensor on 1999 volvo s80 turbo. From what i read, it could be related to a faulty camshaft position sensor, a camshaft timing issue. Here are some common symptoms of a faulty camshaft position sensor and its replacement cost. Apart from the drive, the camshaft can also become defectiv...
Komentar
Posting Komentar